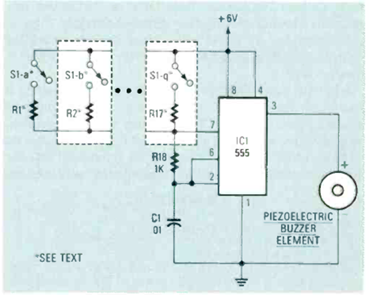
Este interesante circuito para montaje SMD apareció en la edición de noviembre de 1987 de la revista Radio Electronics. Los fonones se generan mediante resistores seleccionadas que se colocan en el conjunto.
Este circuito ultra-simple sirve para verificar el estado de altavoces, auriculares e incluso LEDs y...
Describimos el montaje de un circuito de memoria que opera según el mismo principio de las...
Presione un botón (S1) y una aguja sin conexión eléctrica alguna se mueve misteriosamente. Este montaje, basado...