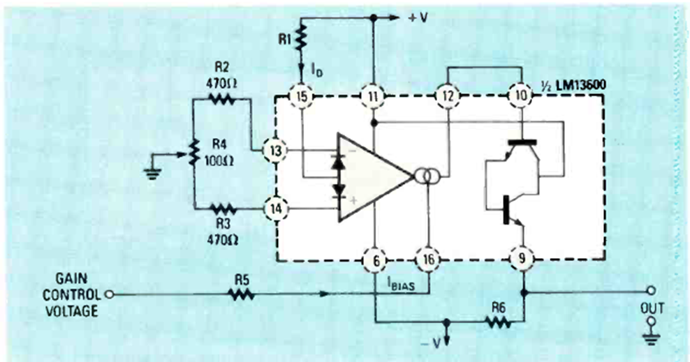
En la figura tenemos una forma de aplicar un control de ganancia en el OTA LM3600. El circuito es de una Radio Electronics de julio de 1988.
Este circuito ultra-simple sirve para verificar el estado de altavoces, auriculares e incluso LEDs y...
Describimos el montaje de un circuito de memoria que opera según el mismo principio de las...
Presione un botón (S1) y una aguja sin conexión eléctrica alguna se mueve misteriosamente. Este montaje, basado...