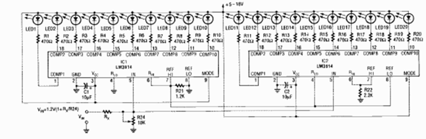
Este circuito es una alternativa al circuito anterior. Lo encontramos en el mismo artículo de la revista Radio Electronics de marzo de 1992. Los circuitos integrados son los LM3914.
El amplificador operacional utilizado en este circuito de una documentación de los años 70 ya no...
El circuito integrado CA3020 fue uno de los primeros tipos comerciales, vendido en la década de 60....
Este es un circuito de monitor de corriente inteligente del lado alto. El circuito es de un manual...