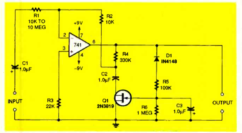
Este circuito fue encontrado en la revista Electronics Now de marzo de 1995. El circuito requiere una fuente simétrica y el FET es un tipo común de propósito general.
El oscilador rectangular presentado en la figura hace uso de una de las cuatro puertas NAND de un...
Este circuito reúne en un sistema único diversos tipos de alarmas. Tenemos así los sensores por...
Este circuito tiene por objetivo accionar un relé cuando incide la luz en el LDR. Podemos usarlo en...