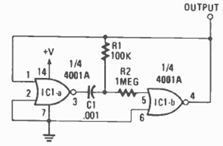
Este oscilador se encontró en la revista Radio Electronics de enero de 1987. La frecuencia viene dada por C1 y la salida tiene buena simetría. La fuente de alimentación suele oscilar entre 3 y 12 V.
El oscilador rectangular presentado en la figura hace uso de una de las cuatro puertas NAND de un...
Este circuito reúne en un sistema único diversos tipos de alarmas. Tenemos así los sensores por...
Este circuito tiene por objetivo accionar un relé cuando incide la luz en el LDR. Podemos usarlo en...