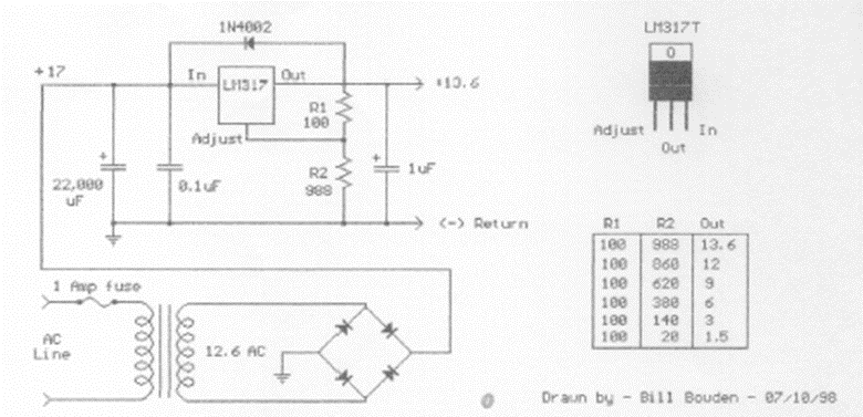
El diagrama es de documentación de los años 90. El circuito integrado debe estar equipado con un disipador de calor. La tabla muestra los valores de los componentes para diferentes tensiones de salida.
Este circuito convierte las señales de la banda de 350 a 500 kHz a la banda de 4.36 a 4.5 MHz, lo que...
Este circuito de automatización fue encontrado en la revista Radio Electronics de octubre de 1961....
Este circuito de puente H puede usar transistores de media potencia de hasta 500 mA como BD135 y...