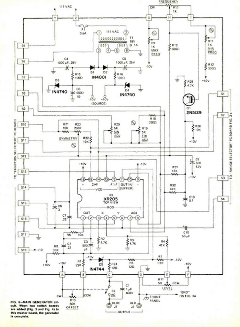
Este sofisticado circuito generador de funciones apareció en la revista Radio Electronics en septiembre de 1972. El circuito incluye la alimentación desde la red eléctrica.
Este circuito convierte las señales de la banda de 350 a 500 kHz a la banda de 4.36 a 4.5 MHz, lo que...
Este circuito de automatización fue encontrado en la revista Radio Electronics de octubre de 1961....
Este circuito de puente H puede usar transistores de media potencia de hasta 500 mA como BD135 y...