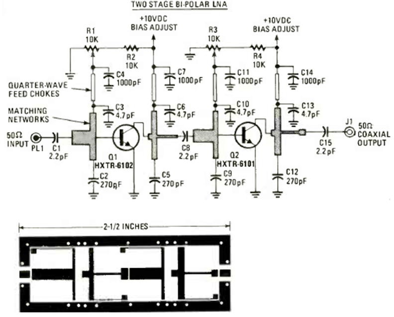
Este circuito, utilizado en la recepción de televisión por satélite de la década de 1980, se encontró en la revista Radio Electronics de marzo de 1980. Observe el diseño de la placa.
Este circuito convierte las señales de la banda de 350 a 500 kHz a la banda de 4.36 a 4.5 MHz, lo que...
Este circuito de automatización fue encontrado en la revista Radio Electronics de octubre de 1961....
Este circuito de puente H puede usar transistores de media potencia de hasta 500 mA como BD135 y...