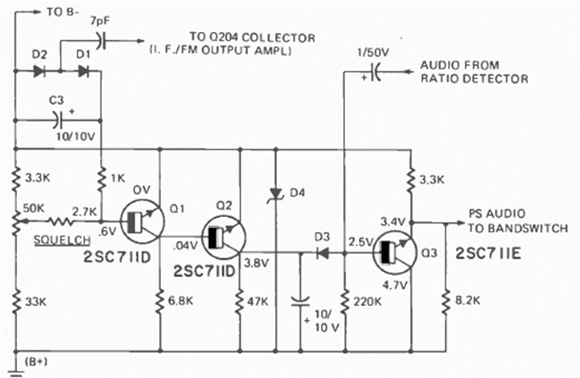
Este circuito para receptores de comunicaciones fue encontrado en la revista Radio Electronics de enero de 1974. Los transistores son del tipo japonés de la época, pues el circuito formaba parte de equipos de tal origen.
Como hemos visto, el circuito integrado 555 es uno de los temporizadores más populares y encuentra...
A falta de un circuito para amplificar las señales de un termopar en un control de temperatura u otra...
¿Cómo generar energía eléctrica a partir de dos monedas comunes? Si el lector cree que eso es...