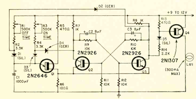
Este intermitente para lámparas incandescentes se encontró en la revista Radio Electronics de julio de 1968. La frecuencia y duración de los impulsos se ajustan en R1 y R3 dependiendo también de C1.
El circuito presentado en la Figura 1 puede ser utilizado tanto como un transmisor telegráfico...
Un relé de altísima ganancia puede ser de gran utilidad en la bancada de proyecto. El circuito que...
El flip-flop es la unidad de memoria de las microcomputadoras y ordenadores más grandes. Este...