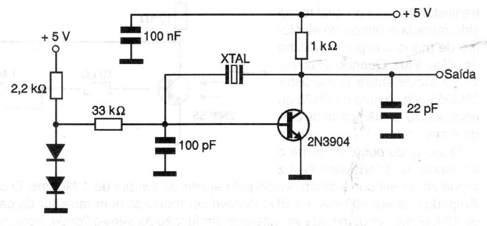
Este oscilador a cristal genera una señal de 20 MHz. Los transistores equivalentes como el BF494 se pueden usar y también el 2N2222. Los diodos estabilizadores pueden ser los 1N4148.
Este pequeño transmisor encontrado en una documentación de 1988 tiene un rango que depende de la...
En la figura tenemos un circuito típico de prueba con acoplador óptico de la serie TCLT100 de Vishay...
El circuito integrado utilizado en este detector es poco común en la actualidad. Lo encontramos en una...