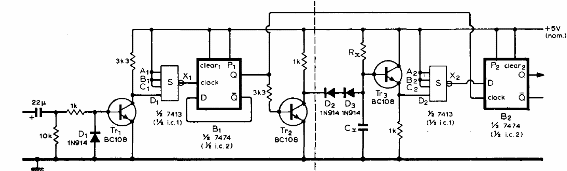
El circuito mostrado es de una antigua publicación inglesa, pudiendo usar transistores BC548 en lugar de los originales. Con los valores de los componentes usados, para Rx de 150k y Cx de 15 nF el tono decodificado es de 900 Hz. Estos componentes pueden ser cambiados a otras frecuencias y la alimentación debe ser hecha con 5 V.




