Esto proyecto es un cargador que puede cargar 2, 4 o 6 baterías de NiCad con limitación de corriente. Las baterías que se indican son las pequeñas (AA).
Operación desde la red de energía que necesita de 14 a 16 horas para dar una carga completa en grupos de 2 a 6 células, sin modificaciones en el circuito.
Todo el lector tiene que hacer es poner las pilas en un soporte adecuado y la conexión de pinzas de cocodrilo a los polos según la polaridad y dejar de un día para el otro.
El LED1 se iluminará, indicando el cargo, lo cual es muy importante porque si una batería tiene un mal contacto la corriente de carga no pasa. Si esto ocurre, el LED se ilumina.
La resistencia está dimensionada para proporcionar una corriente de carga de 15 mA para el que se requiere para la mayoría de los pillas AA. Con el cambio de esta resistencia también puede cargar baterías medianas y grandes.
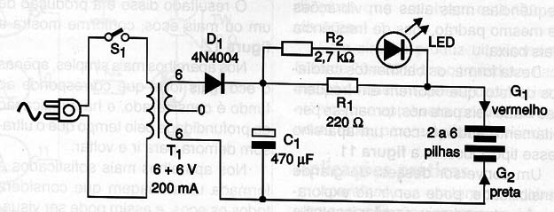
En la Figura 1 tenemos el diagrama completo del cargador.

En la figura 2 tenemos la disposición de los componentes en un puente terminal.

El transformador tiene devanado primario de acuerdo con la red local y secundario de 6 + 6 V con corriente de al menos 200 mA. La resistencia R1 debe ser de al menos ½ W, ya que tiende a calentarse ligeramente durante la carga.
Para la conexión de las baterías utilizan una garra rojo y un negro.
Para utilizar el dispositivo, sólo hay que poner las pilas en la base y conectar las garras. En el momento enciende el LED que indica que la corriente está fluyendo. Si no es así, ajustar las baterías en el soporte, puede haber algo mal contacto con el.
Tenga en cuenta que la garra 1 (rojo) está conectado al cable rojo del soporte de la batería.
Un procedimiento importante es dejar que las baterías se descarguen completamente antes de dar nueva carga, por lo que no es el efecto memoria.
Semiconductores:
D1 - 1N4004 - diodo de silicio
LED - LED rojo común
Resistencias:
R1 - 220 ohmios x 1/8 W - rojo, rojo, marrón
R2 - 2.7 k ohmios x 1/8 W - rojo, violeta, rojo
Condensadores:
C1 - 470 µF x 25 V - electrolítico
Varios:
S1 - Interruptor sencillo
primario del transformador de acuerdo a la red eléctrica y secundaria 6 + 6 V x 200 mA a 300 mA - T1
G1, G2 - pinzas de cocodrilo - rojo y negro
Puente terminal, cable de alimentación, soportes de las baterías, caja de montaje, alambre, soldadura, etc.



