Usted conecta un pequeño transmisor de FM a su guitarra, guitarra u otro instrumento que pueda funcionar con captador o micrófono y listo: el sonido se puede transferir a un amplificador inalámbrico, situado cerca. Además de la movilidad que eso significa, tenemos menos posibilidades de ocurrir la captación de zumbidos o ruidos.
El transmisor que enseñamos a montar en este artículo y el receptor puede ser cualquier radio FM conectado al amplificador usado, o bien puede ser su propio equipo de sonido colocado en frecuencia libre de la banda FM. El transmisor es montado en una pequeña cajita que será atada a la cintura del músico y su antena es un pedazo de unos 10 cm de hilo lo que da un alcance del orden de 20 metros para el sistema.
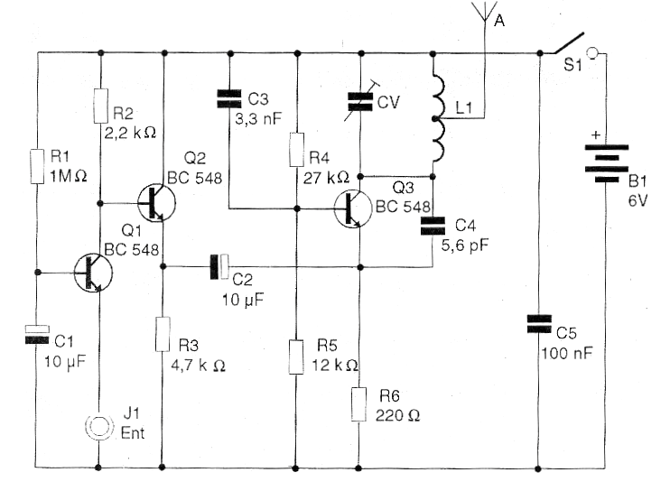
En la figura 1 tenemos el diagrama completo de la guitarra inalámbrica que utiliza dos transistores.
La configuración mostrada sólo admite captadores magnéticos de baja impedancia o, a continuación, micrófonos magnéticos de baja impedancia. Para captadores o micrófonos del tipo "cristal" este circuito no sirve. La bobina L1 consiste en 2 + 2 espiras de hilo esmaltado de espesor entre 22 y 28 enrolladas en un lápiz como referencia.
El trimmer CV puede ser de cualquier valor entre 20 y 50 pF y debe ser ajustado para que la señal del transmisor sea captada en una frecuencia libre del rango de FM. Todos los componentes son soldados en la placa de circuito impreso que se muestra en la figura 2.
La antena no debe encajar en nada, para mayor eficiencia del aparato y en algunos casos puede incluso ser eliminado si el receptor no queda a más de 5 metros del músico.

Los resistores son todos de 1 / 8W y los condensadores deben ser de los tipos indicados en la relación de material. No utilice tipos de poliéster donde se recomiendan los cerámicos. El jack J1 de entrada debe ser de tipo apropiado para el enchufe del captador del instrumento usado.
Para alimentación tenemos dos opciones: usar 4 pilas pequeñas con mayor autonomía y menor alcance o usar una batería de 9 V con menor autonomía pero mayor alcance. El único ajuste a realizar en el funcionamiento es colocar el receptor en frecuencia libre del rango de FM y actuar sobre CV para que la mejor señal del transmisor sea captada.
LISTA DE MATERIAL
Semiconductores:
Q1 - BC549 o equivalente - transistores NPN de bajo ruido
Q2 - BC548 o equivalente - transistores NPN de uso general
Q3 - BF494 o BF495 - transistores NPN de RF
Resistores: (1/8 W, 5%)
R1 - 1 M ohms - marrón, negro, verde
R2 - 2,2 k ohms - rojo, rojo, rojo
R3 - 4,7 k ohms - amarillo, violeta, rojo
R4 - 27 k ohms - rojo, violeta, naranja
R5 - 12 k ohms - marrón, rojo, naranja
R6 - 220 ohms - rojo, rojo, marrón
Capacitores:
C1, C2 - 10 uF / 12V - electrolíticos
C3 - 2,7 nF a 4,7 nF - cerámico
C4 - 4,7 o 5,6 pF - cerámico
C5 - 100 nF - cerámico
CV - trimmer común plástico o de porcelana - ver el texto
Varios:
J1 - Jaque de entrada
L1 - Bobina - ver el texto
S1 - Interruptor simple
B1 - 6 o 9V - 4 pilas o batería
A - antena - hilo de 10 cm (opcional)
Placa de circuito impreso, caja para montaje, soporte de pilas o conector de batería, hilos, soldadura, etc.




