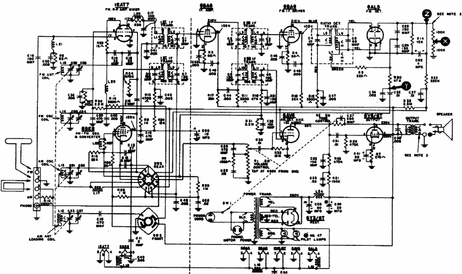
Este receptor para as duas faixas foi encontrado num manual da época. O circuito utilizava transformador na fonte e tinha FI de 10,7 MHz para a faixa de FM.
Describimos un proyecto de alarma de 1 transistor de bajo consumo de energía, sirviendo para...
Este circuito es un oscilador de audio de desplazamiento de fase y puede generar señales alrededor de 1...
La frecuencia de este oscilador depende de los capacitores y valores típicos para los resistores son...