A
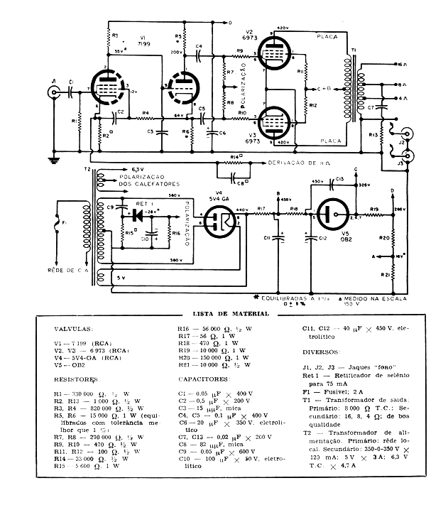
Este amplificador con salida en push-pull (contrafase) tiene una potencia de 20 W utilizando válvulas 6973 en la salida. Los componentes críticos de este proyecto, además de las válvulas son los transformadores. El circuito se obtuvo en una publicación de 1962.




