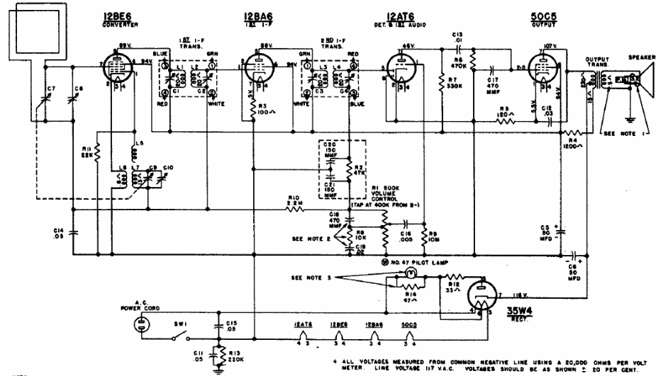
Este receptor de configuração comum usava antena de quadro e 5 válvulas com os filamentos ligados em série. O circuito se destinava a faixa de ondas médias.
Este oscilador fue encontrado en un manual de circuitos europeo de los años 80. La configuración puede...
Este multivibrador cuya frecuencia depende de los capacitores, fue encontrado en una publicación argentina...
La ganancia del amplificador mostrado en la figura 1 depende de la intensidad de la señal de...