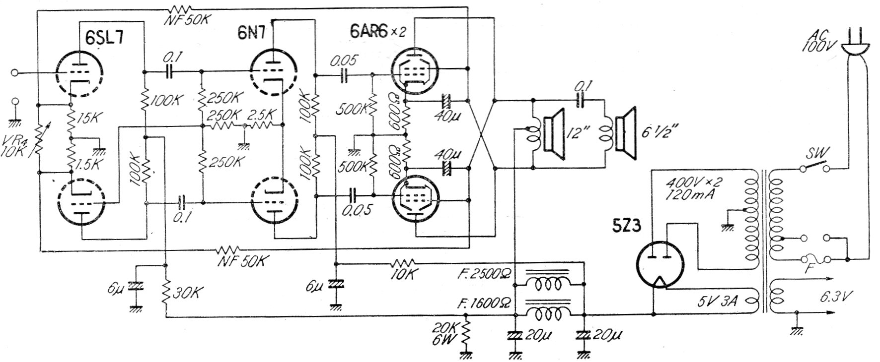
Este amplificador con divisor para tweeter fue encontrado en una publicación de los años 60. El circuito incluye la fuente de alimentación y tiene salida de baja impedancia sin transformador. La potencia es de algunos watts y la calidad de sonido buena.




