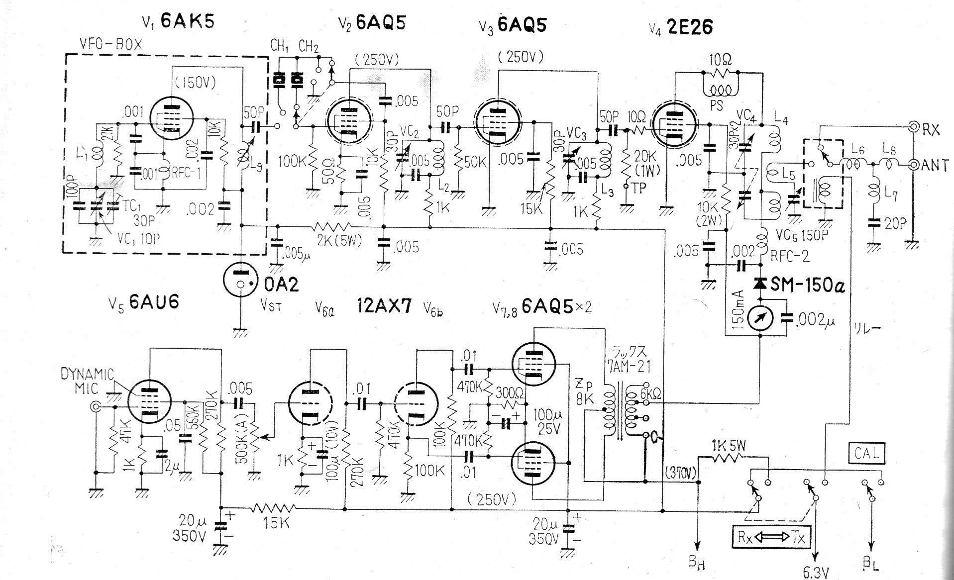
Este transceptor valvular fue encontrado en una publicación japonesa de 1968. Los componentes de la época ya no se encuentran fácilmente y los detalles de las bobinas no se han dado.
Afirma el autor de este proyecto encontrado en una documentación de 1982 que nosotros de la...
Este circuito puede recibir las señales del CIR10466 u otro como éste, de los muchos descritos en este...
Este control de toque es de una publicación de 1978. El circuito no debe ser alimentado por fuente...