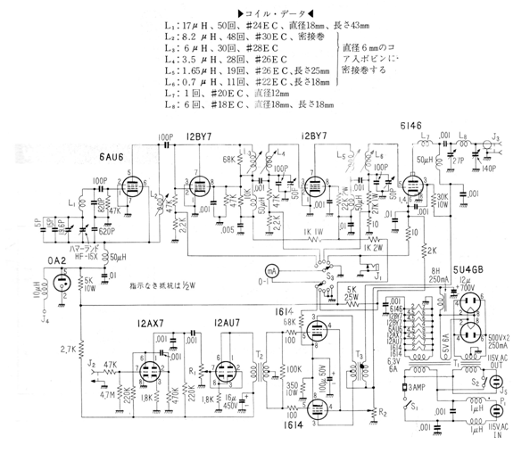
Este circuito es de una revista japonesa de 1967. Los detalles de las bobinas pueden ser fácilmente deducidos incluso con el texto original en japonés. El circuito incluye la fuente de alimentación con el uso de válvula reguladora de tensión.

Este circuito es de una revista japonesa de 1967. Los detalles de las bobinas pueden ser fácilmente deducidos incluso con el texto original en japonés. El circuito incluye la fuente de alimentación con el uso de válvula reguladora de tensión.
