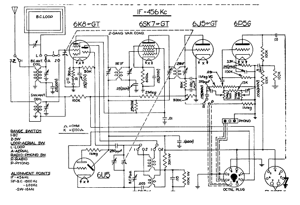
Este receptor de ondas medias con 5 válvulas presentaba excelente sensibilidad, tanto usando una antena de cuadro interna como externa.

Este receptor de ondas medias con 5 válvulas presentaba excelente sensibilidad, tanto usando una antena de cuadro interna como externa.
