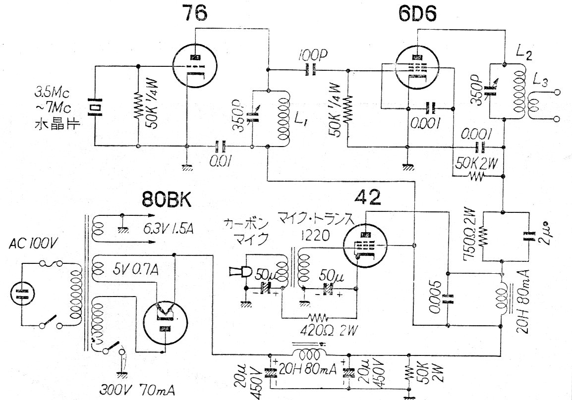
Este transmisor para el rango de 3,5 MHz y 7 MHz fue encontrado en una documentación japonesa de los años 60. La fuente de alimentación fue incluida, pero no se dieron detalles de las bobinas.
La finalidad del circuito de la figura 1 es alimentar una carga con una corriente constante hasta 2 A a...
El amplificador operacional utilizado en este circuito no es muy común actualmente y la...
Las experiencias que involucran electricidad y química son atractivas, principalmente aquellas en las que...