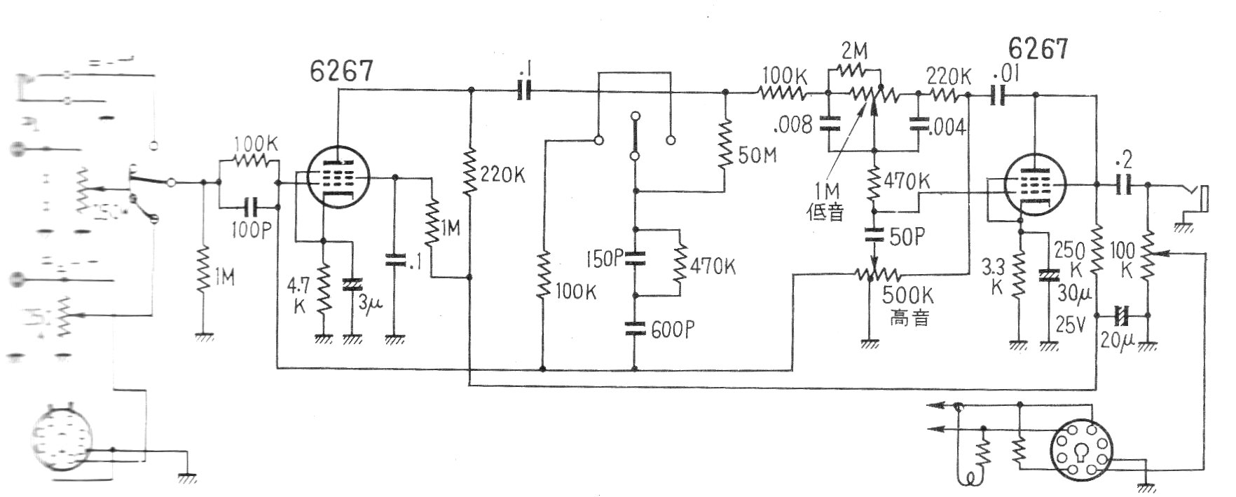
Este preamplificador para tocadiscos y demás fuentes de señales comunes en la época fue encontrado en una documentación de 1961. El circuito utiliza dos válvulas e incluye un control de tono. La fuente de alimentación no se da, pero se indican las tensiones.




