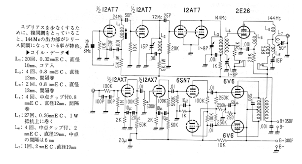
Este circuito, encontrado en una publicación japonesa de los años 60, utiliza en la salida la válvula 2E26 suministrando una potencia de 25 W. A pesar de la publicación japonesa se puede fácilmente entender cuál es el número de espiras, hilo y diámetro de cada bobina.




