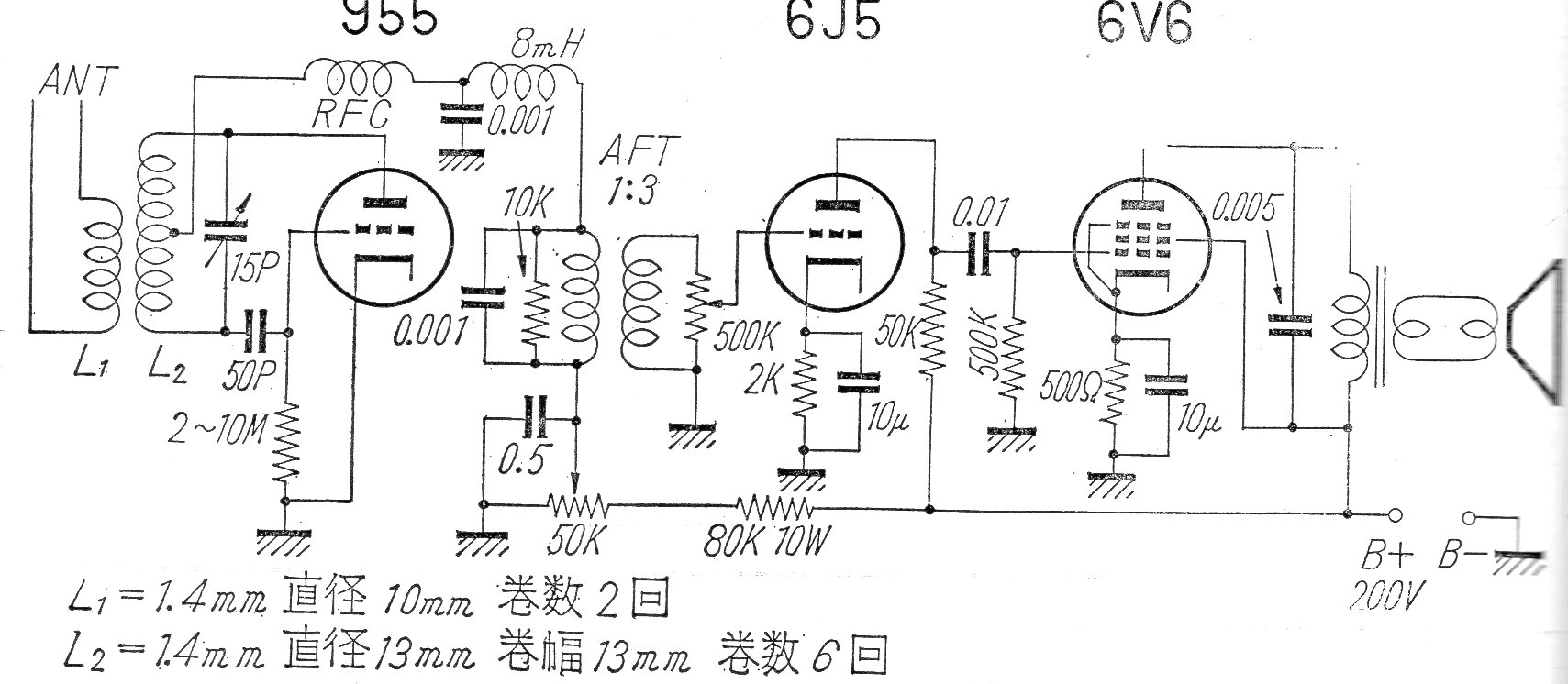
Este receptor para el rango de 50 MHz se encontró en una publicación japonesa de los años 50. El circuito no incluye la fuente de alimentación y los datos de las bobinas se suministran junto al diagrama.
Este transmisor opera entre 100 kHz y 4 MHz, utilizando sólo un componente: un circuito integrado CMOS....
En general, un altavoz puede ser usado tanto para producir señales eléctricas a partir de un...
El primer circuito es un preamplificador de audio con excelente ganancia y muy alta impedancia de entrada....