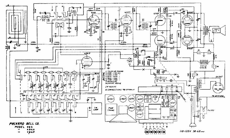
El punto curioso de este receptor es la sintonía por teclas, llevando a las estaciones preajustada. El receptor utiliza transformador y tiene salida de alta potencia en push-pull.
Este pequeño transmisor de FM envía sus señales a cualquier radio, receptor o aparato de sonido con...
Describimos el montaje de un sensible galvanómetro, que puede acusar la circulación de cadenas muy...
El wattimetro o medidor de potencia eléctrica que describimos puede ser utilizado en la medida de...