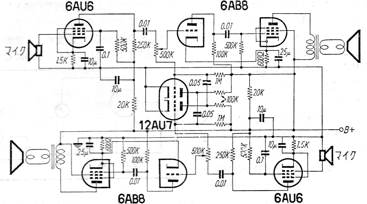
Este intercomunicador valvular se obtuvo en una publicación de los años 60. El circuito no utiliza la llave conmutadora y la fuente de alimentación no está incluida. Los micrófonos son tipos de baja impedancia.
Este pequeño transmisor de FM envía sus señales a cualquier radio, receptor o aparato de sonido con...
Describimos el montaje de un sensible galvanómetro, que puede acusar la circulación de cadenas muy...
El wattimetro o medidor de potencia eléctrica que describimos puede ser utilizado en la medida de...