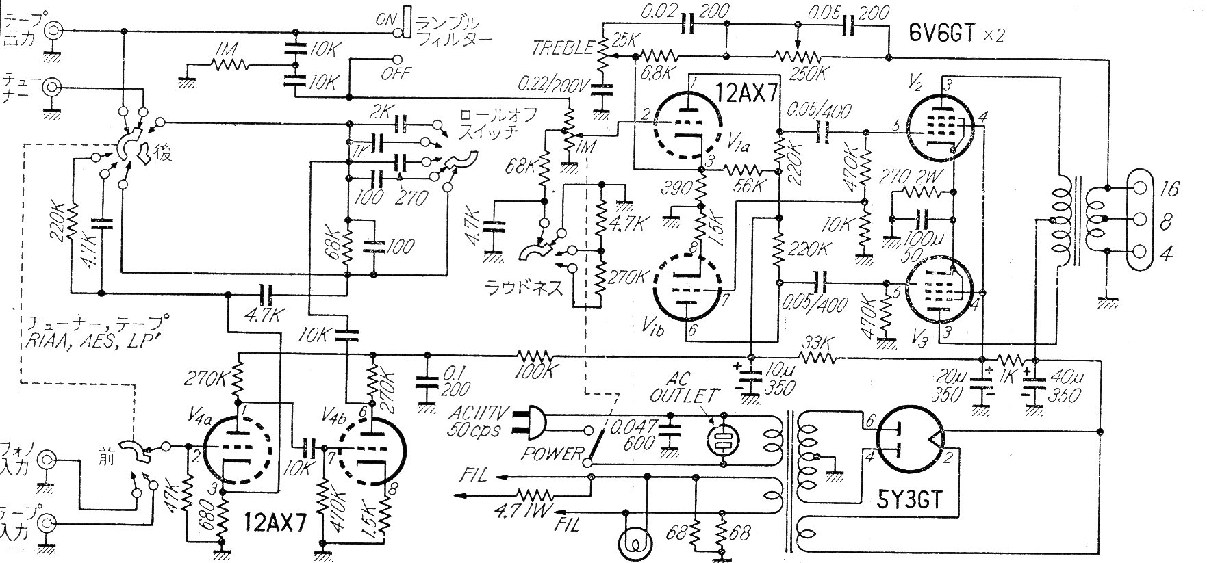
Este potente amplificador con las válvulas 6V6 fue encontrado en una documentación técnica japonesa de los años 60. El circuito incluye un buen preamplificador con diversas entradas y también la fuente de alimentación. La alimentación tiene salida en push-pull con inversión de fase hecha por válvulas en lugar del transformador.




