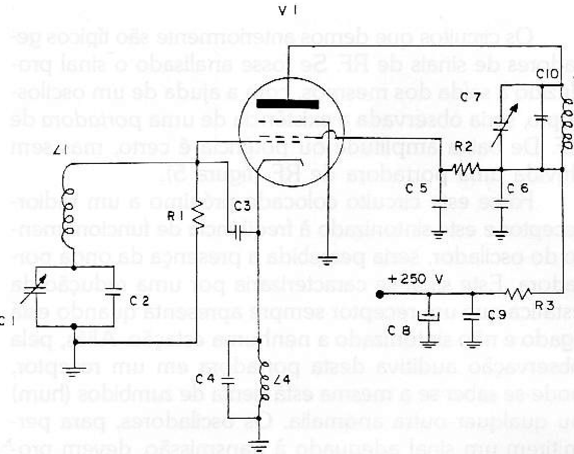
En la figura tenemos un VFO utilizando una válvula pentodo. Para evitar el deslizamiento de frecuencia producido por el calentamiento que la válvula introduce se utiliza un capacitor con coeficiente negativo de temperatura, de 10 pF.
Este circuito puede servir para el desarrollo de un enlace óptico de audio o incluso digital de muy...
Este circuito está indicado para demostraciones del principio de funcionamiento de un flip-flop R-S...
El circuito presentado en la figura 1 se dispara cuando la luz que incide sobre el LDR es cortada....