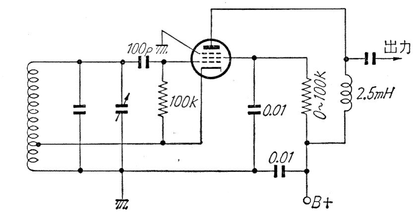
Encontramos este circuito en una documentación japonesa antigua. La bobina depende del rango de frecuencias deseado y la tensión de alimentación depende de la válvula.
Este circuito puede servir para el desarrollo de un enlace óptico de audio o incluso digital de muy...
Este circuito está indicado para demostraciones del principio de funcionamiento de un flip-flop R-S...
El circuito presentado en la figura 1 se dispara cuando la luz que incide sobre el LDR es cortada....