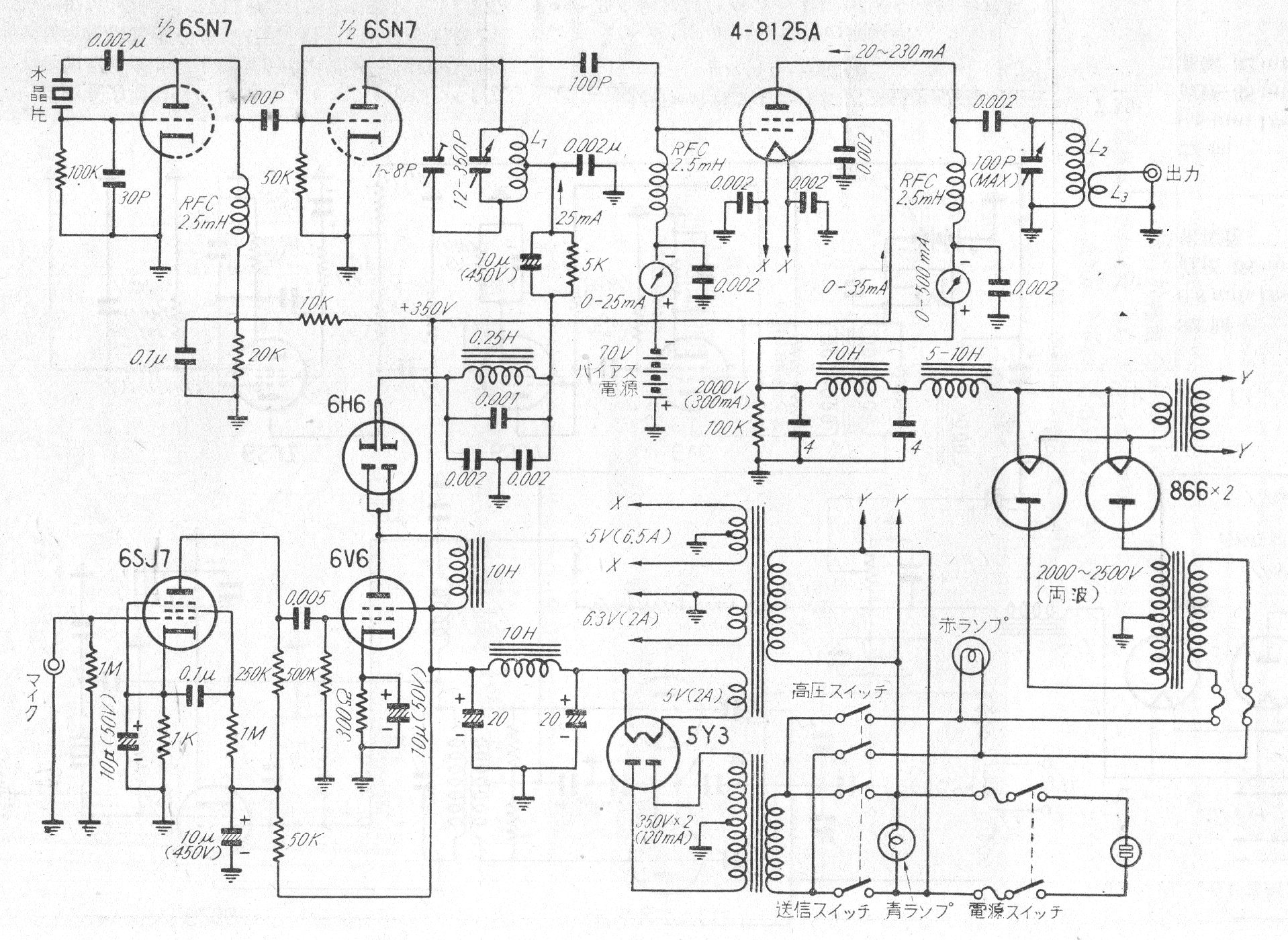
Encontramos este transmisor que puede operar en el rango de los 40 o 80 metros (3,5 o 7 MHz) de radioaficionados en una documentación japonesa de los años 50. Los detalles de la construcción de las bobinas no fueron dados. El circuito incluye la fuente de alimentación y la etapa de modulación.




