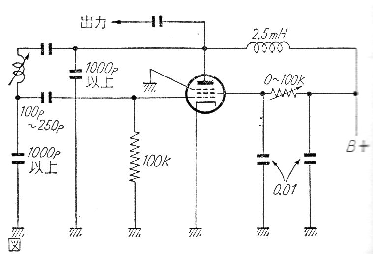
Aquí tenemos otra configuración de oscilador de frecuencia variable (VFO) utilizando una válvula pentodo. El circuito es de un manual antiguo y la bobina depende del rango de frecuencias deseado. El circuito es de una antigua publicación japonesa.
Este circuito lo encontramos en una Radio Electrónica de agosto de 1974. Las frecuencias generadas...
La figura muestra cómo usar un varicap en un circuito de sintonización convencional. El circuito...
Este circuito utiliza el CI TDA2611A, no muy común actualmente, pero tiene buena potencia con...