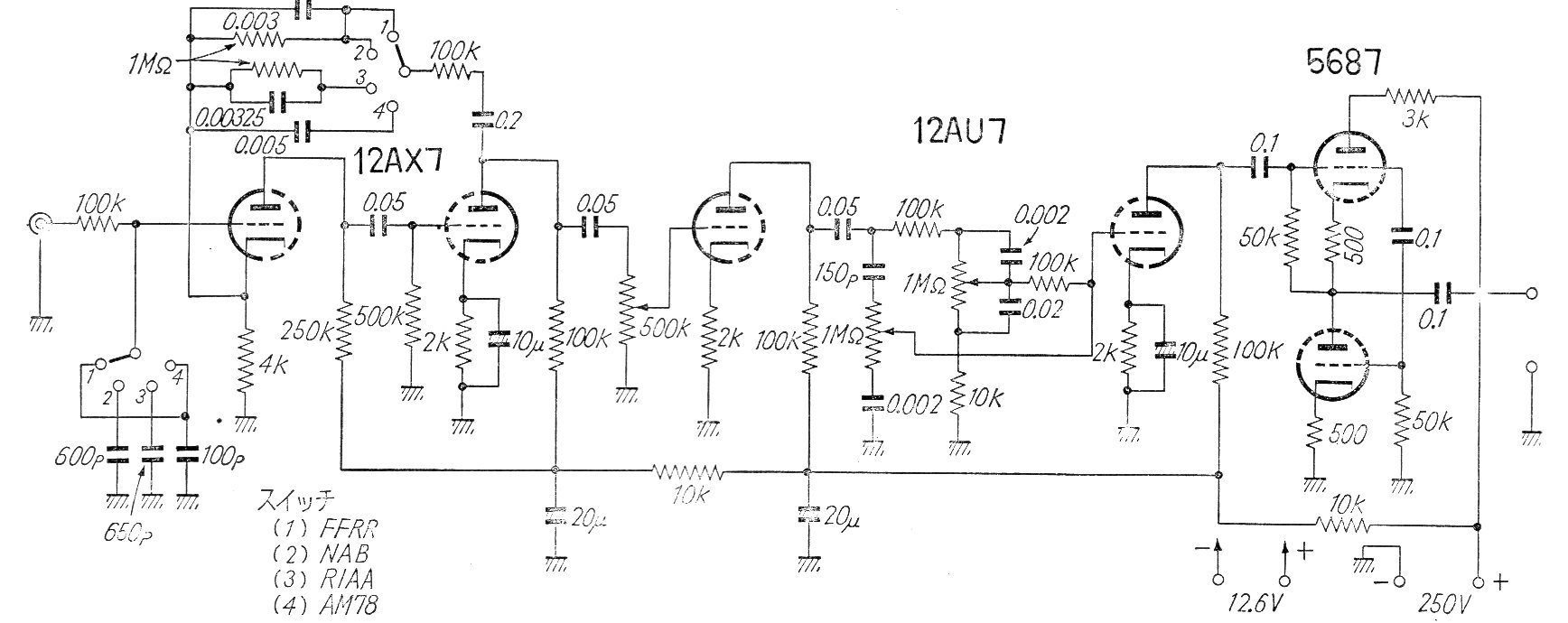
Este amplificador OTL con salida de 70 ohms fue encontrado en una documentación japonesa de los años 60. El circuito tiene algunos watts de potencia y la fuente de alimentación de 250 V más el filamento de las válvulas no se incluye. El circuito tiene diversos tipos de ecualización seleccionados por una llave.




