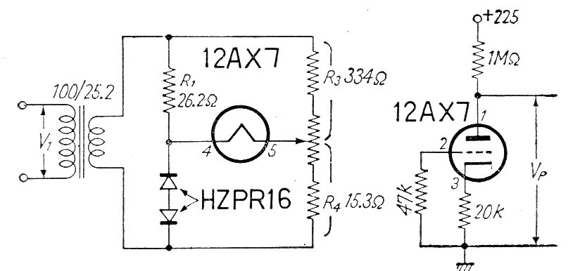
En los preamplificadores valvulados de muy alta ganancia, el filamento puede ser responsable de la emisión de roncos de 60 Hz. Se puede neutralizar este ronco con un circuito de alimentación balanceado, como se muestra en la figura. Este circuito fue obtenido en una documentación japonesa de los años 60. Los diodos son zeners de baja tensión.




