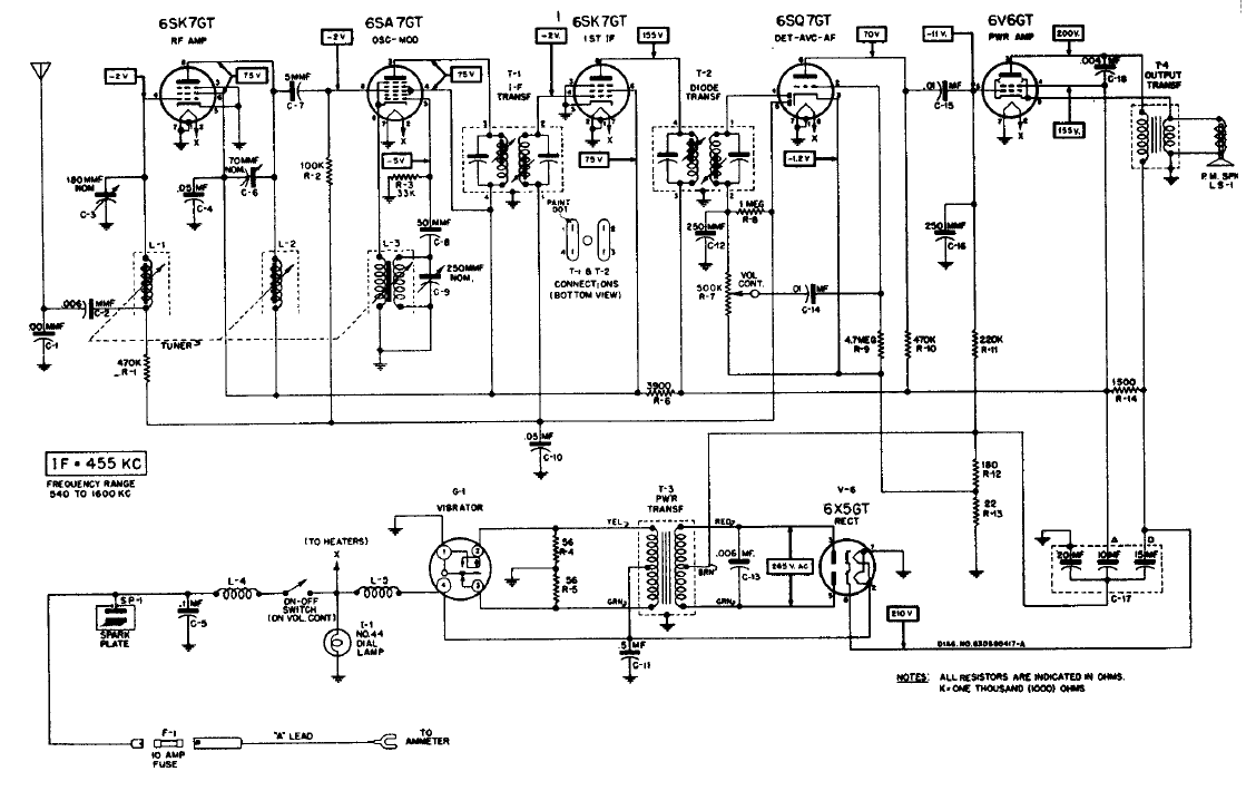
Esta radio valvulado para la banda de AM usaba vibrador para obtener la alta tensión. El circuito es para el rango de ondas medias con FI de 455 kHz.
Las lámparas neón son elementos activos de circuitos que se caracterizan por presentar una región de...
Este circuito puede servir para el desarrollo de un enlace óptico de audio o incluso digital de muy...
Para los adeptos del lanzamiento de pequeños cohetes la disponibilidad de un sistema electrónico con llave...