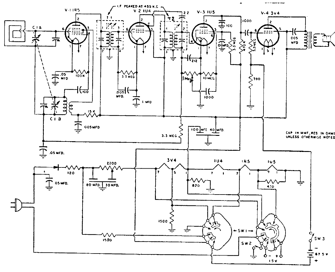
Este receptor de 1950 con 5 válvulas tanto podía ser alimentado por la red de energía como dos baterías, una de1,5 V y otra de 67,5 V, lo que era común en una época en que no había todavía el transistor.
Las lámparas neón son elementos activos de circuitos que se caracterizan por presentar una región de...
Este circuito puede servir para el desarrollo de un enlace óptico de audio o incluso digital de muy...
Para los adeptos del lanzamiento de pequeños cohetes la disponibilidad de un sistema electrónico con llave...