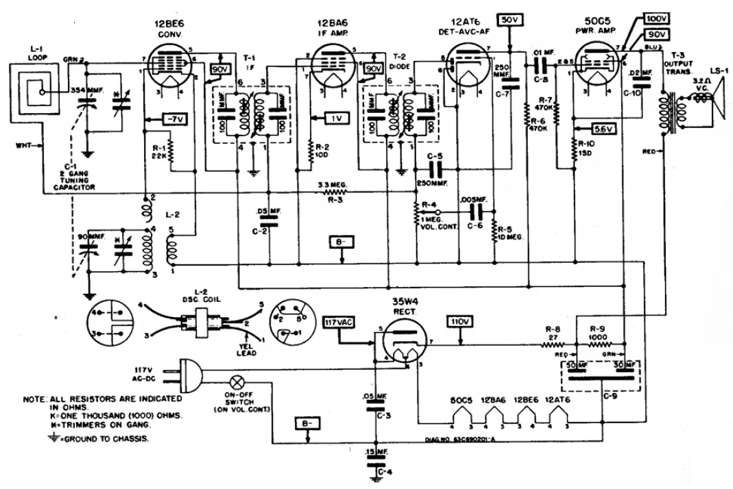
Encontramos esta radio en un esquemario de la época. Se trata de un receptor de 5 válvulas con filamentos en serie y antena de cuadro para la banda de ondas medias.
Las lámparas neón son elementos activos de circuitos que se caracterizan por presentar una región de...
Este circuito puede servir para el desarrollo de un enlace óptico de audio o incluso digital de muy...
Para los adeptos del lanzamiento de pequeños cohetes la disponibilidad de un sistema electrónico con llave...