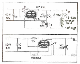
En la figura tenemos un circuito con dos opciones de fuente sin transformador. El circuito es de una documentación de 1944. Para alimentar los filamentos de los circuitos alimentados se necesita un transformador adicional.

En la figura tenemos un circuito con dos opciones de fuente sin transformador. El circuito es de una documentación de 1944. Para alimentar los filamentos de los circuitos alimentados se necesita un transformador adicional.
