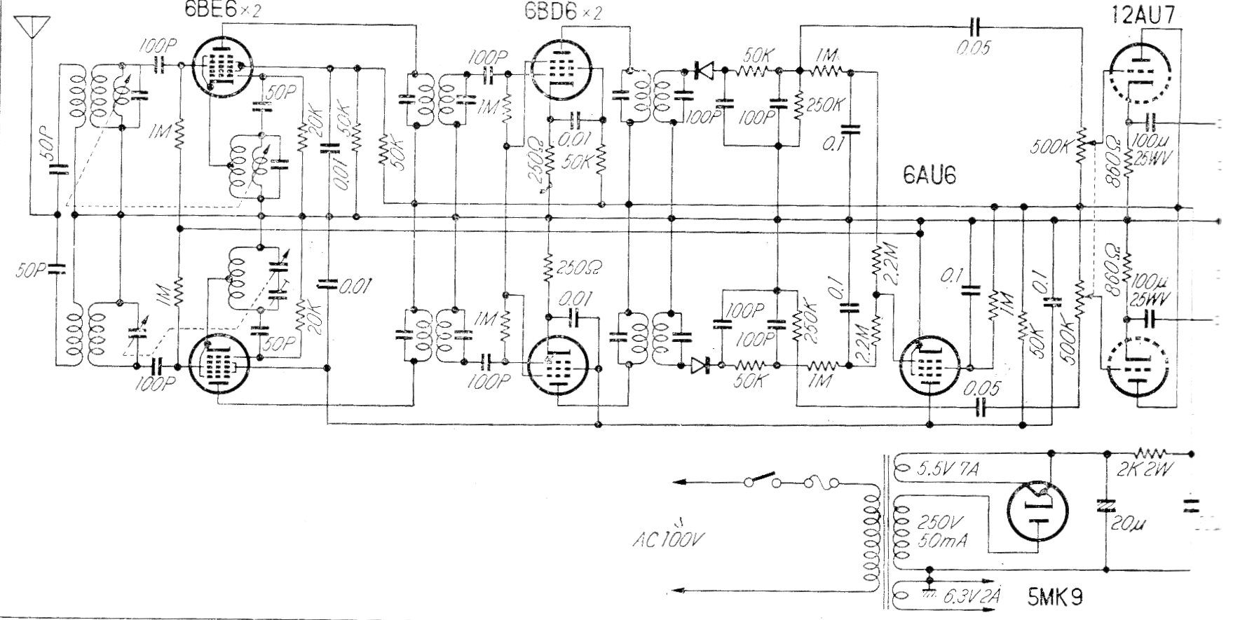
Este es un circuito de un sintonizador AM de la década de 60. El circuito se encontró en una documentación japonesa de la época y no tiene decodificador estéreo, que todavía no se utilizó. En aquella época lo que se hacía era transmitir los canales por dos frecuencias diferentes que se sintonizaban en circuitos diferentes. El circuito incluye la fuente de alimentación.




