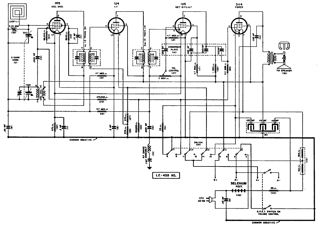
Este receptor de 4 válvulas recibía las estaciones de onda medias y tenía por diferencial el uso de un diodo de selenio en la fuente, en lugar de la válvula rectificadora.
Este circuito funciona como un puerto NAND compatible con la lógica TTL, pero usando solo...
En la figura tenemos un transmisor y un receptor de control remoto simple para las pruebas que se...
Este circuito tiene un control para la fuerza de la señal de salida. La señal generada es...