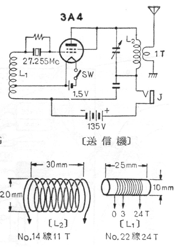
Este transmisor con válvula miniatura fue encontrado en una publicación japonesa de 1967. Los detalles de la bobina se suministran junto al diagrama y se utilizan dos baterías como fuentes de alimentación. La batería de 135 V se realiza con 3 baterías de 45 V en serie.




