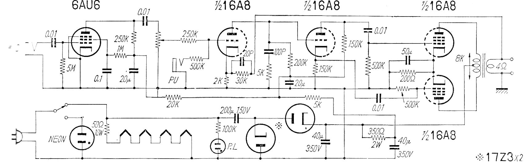
Este amplificador de algunos vatios de potencia no utiliza transformador de fuerza. Su alimentación es directa con los filamentos de las válvulas conectadas en serie. Esta configuración requiere cuidados en el uso, pues la entrada no está aislada, pudiendo causar choques. El circuito es de una documentación japonesa de los años 60.




