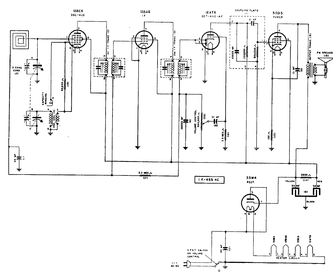
Este circuito de marca poco conocido fue obtenido en un esquemario de la época. El uso de la configuración tradicional en la época con antena de cuadro y filamentos en serie, encontrada en muchos radios brasileños de la época.
La finalidad del circuito de la figura 1 es alimentar una carga con una corriente constante hasta 2 A a...
Este probador de continuidad artesanal tiene una finalidad didáctica, pudiendo ser utilizado como tema...
¿Cómo saber cuál es la polaridad de los hilos de salida de una fuente o de un borrador de pilas? Con...