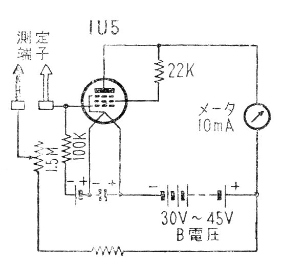
Utilizando una válvula poco común, este circuito posibilita el empleo de un miliamperímetro de 10 mA de fondo de escala para medir corrientes de hasta 10 uA. El circuito es de una publicación japonesa de 1969 siendo alimentado por dos baterías, una pila y una batería de alta tensión.




