Este artículo forma parte de nuestro libro gratis "Cómo utilizar el osciloscopio en el servicio de Equipos de video antiguos". Si bien los televisores analógicos ya no se fabrican, todavía hay muchos en uso, así como videocintas y cámaras que todavía se pueden utilizar o recuperar para aplicaciones en seguridad, reproducción de cintas antiguas, demostraciones, etc. Este artículo tiene utilidad para las personas que desean utilizar el osciloscopio en el diagnóstico de problemas con estos aparatos de vídeo antiguos.
Nota: este artículo es continuación del SER116S, SER117S, SER118S y SER119S
EL OSCILOSCOPIO PARA TV REPARACION
Los osciloscopios para servicios específicos en TV analógica antiguos, poseen como importante recurso la posibilidad de sincronizar la imagen con la propia señal de vídeo, eligiendo el componente vertical de baja frecuencia (cuadro) como el componente horizontal (línea) para la observación de toda la imagen o sólo una línea como desee.
En la figura 1 tenemos la forma de onda típica de una señal de TV.
Cuando elegimos el disparo en la posición TV-V o TV-campo (Field), tenemos la aparición de la señal correspondiente a una pantalla completa o un campo, como muestra la figura 2.

Dependiendo de la forma en que la señal se quita del televisor, puede estar con polarización positiva o negativa, como se muestra en la figura 3, que debe tenerse en cuenta en su interpretación.

Por otro lado, si seleccionamos el disparo (T RIG) en el modo TV-H o TV-line (línea), tendremos la observación de la señal correspondiente a una línea de la señal de vídeo, como muestra la figura 4.

Algunos osciloscopios sólo sincronizan la señal de línea si el pulso es negativo, lo que debe tenerse en cuenta al retirar el televisor de la muestra para su análisis.
Es importante observar que la retirada de la señal del circuito de un televisor para análisis requiere cuidados en vista de la frecuencia involucrada y también de la propia intensidad.
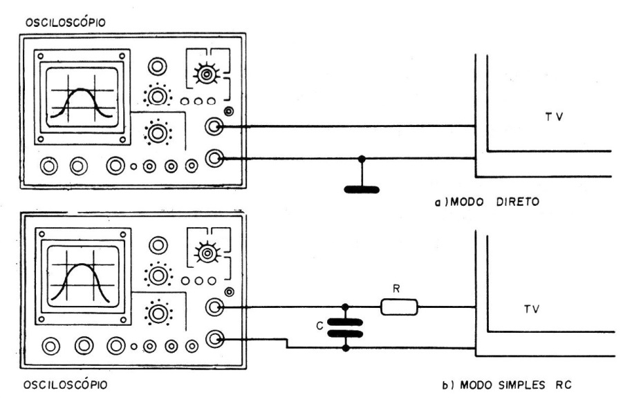
Los fabricantes como Hitachi resaltan, por ejemplo, que mientras los circuitos convencionales de osciloscopios hacen la retirada directa de la señal de vídeo, con un circuito simple como muestra la figura 5, o como máximo con un filtro RC, como muestra la misma figura en (fig. b), lo que causa problemas de dificultad de sincronización tanto por el matrimonio de características como por el corte de componentes de alta frecuencia (caso b), sus circuitos son más elaborados.

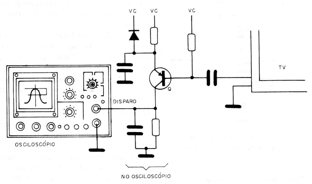
En la figura 6 tenemos el circuito usado por Hitachi que separa los pulsos de sincronismo del componente de alta frecuencia, facilitando así la obtención de una imagen estable.
Es importante observar que en los televisores encontramos básicamente 3 tipos de señales:
Tenemos en primer lugar las señales del sector de audio, que son similares al de cualquier amplificador convencional y que ya estudiamos en este curso.
Tenemos entonces las señales de altas frecuencias generadas en el propio aparato que son dos osciladores de barrido y del propio circuito receptor de alta frecuencia en el selector de canales como el convertidor / mezclador.
Finalmente tenemos las señales que son recibidos por el televisor desde una estación y que son procesados por los circuitos.
En los televisores en color tenemos circuitos adicionales que tanto operan con señales recibidas como señales generadas en el propio aparato.
DE DÓNDE RETIRAR LA SEÑAL
La mayoría de los diagramas de televisores tienen indicaciones de las formas de onda en los principales puntos con indicaciones que facilitan al técnico en el descubrimiento de eventuales anormalidades.
Debemos alertar al lector que en la mayoría de los televisores existe una tolerancia de más o menos el 20% en la amplitud de las señales indicadas, lo que podría llevar al técnico menos experimentado a pensar en una etapa con falta de ganancia u otro problema al observar una diferencia de este orden en un señal, como muestra la figura 7.

También es importante notar que en los manuales de servicio de muchos televisores están previstos los procedimientos para ajuste y pruebas con salidas para el osciloscopio en la propia placa de circuito impreso, lo que facilita mucho el trabajo del técnico.
Para las muñecas que aparecen en muchos puntos de un televisor también debe considerarse una tolerancia con respecto a la forma y la anchura.
Esta tolerancia es ejemplificada en la figura 8, donde tenemos el valor indicado o medio y los dos extremos de formas y valores que, sin embargo, no significan que el aparato tenga algún tipo de problema.
Un caso importante a considerar en un televisor es que algunas señales tienen como requisito básico la linealidad.
Esto es válido, por ejemplo, para el signo diente de deflexión. Una variación de esta linealidad provoca problemas de imagen como el mostrado en la figura 9.
La linealidad se puede observar fácilmente en el osciloscopio y con una regla podemos hasta medirla.
Debe estar en hasta el 15% de lo permitido, para un funcionamiento normal.
Para observar de formas de onda en las diversas etapas, un osciloscopio hasta 20 MHz sirve perfectamente para la localización de fallas.
En la observación de los pulsos es muy importante que el osciloscopio tenga una buena respuesta en este límite de frecuencia para que podamos constatar cualquier deformaciones sin el peligro de pensar que se debe antes al circuito analizado cuando en realidad está siendo provocada por los circuitos amplificadores del propio osciloscopio , como muestra la figura 10.

Los pulsos de sincronismo son ejemplos de punto crítico en la observación, ya que pueden sufrir este tipo de deformación en el propio osciloscopio si no está debidamente calibrado, o presentar alguna anormalidad de operación.
Como el aparato opera con banda lateral residual, ocurren deformaciones en el pulso luego al ser detectado, después de lo cual sufre una serie de integraciones que lo llevan a la forma original.
La interpretación errónea de estas fases intermedias de procesamiento del pulso puede llevar al técnico a deducir que algo va mal en el televisor cuando en realidad eso no ocurre.
Esto puede ocurrir cuando el técnico no es un diagrama con las formas de onda previstas e intenta incluso deducir lo que encuentre.







