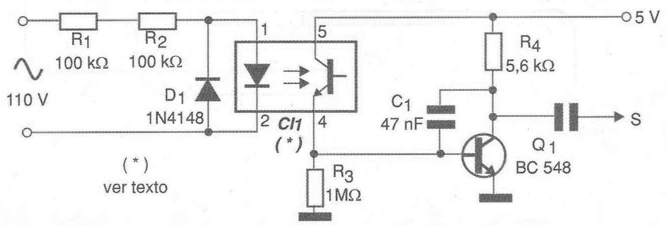
La solución aislada de la red de energía de la figura 1 permite obtener una señal de 60 Hz (o 50 Hz) a partir de esta red para excitación de circuitos lógicos TTL.

   El acoplador óptico utilizado puede ser el TIL111 o cualquier equivalente que tenga un foto-transistor sensible.

   Los resistores R1 y R2 son de ½ W y es conveniente usar dos en serie justamente para que la tensión de la red se divida entre ellas.

   El capacitor C1 ayuda a eliminar eventuales transitorios que puedan falsear la frecuencia de la señal de salida lo que puede ser importante en aplicaciones de mayor precisión.

   En ambientes muy ruidosos este capacitor puede ser aumentado a 100 nF o incluso 150 nF.

 


| Clique na imagem para ampliar |

 

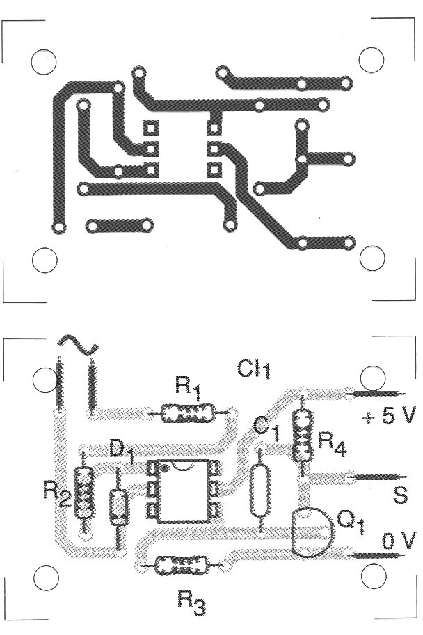
   En la figura 2 tenemos una sugerencia de placa de circuito impreso para la implementación de esta base de tiempo.

   Observe antes del montaje si la pinza del acoplador óptico usado es la misma indicada en este diagrama.

 


 

 

 

 

LISTA DE MATERIAL

 

CI-1 - TIL111 o equivalente - acoplador óptico

Q1 - BC548 o equivalente - transistores NPN de uso general

D1 - 1N4148 - diodo de uso general

R1, R2 - 100 k ohms x 1W - resistores

R3 - 1 M ohms x 1/8 W - resistor

R4 - 5,6 k ohms x 1/8 W - resistor

C1 - 47 nF - capacitor de cerámica o poliéster

Varios:

Placa de circuito impreso, hilos, fuente de alimentación de 5 V, soldadura, etc.