Uno de los problemas de la conexión directa de los LED en la salida de un amplificador está en la baja tensión disponible. De hecho, teniendo en cuenta que P = V2 / I, vemos que, con una carga de 4 ohms, la potencia mínima que resulta en 1,6 V para encender un LED rojo es de aproximadamente 640 mW.E, aunque tengamos potencia suficiente, una cantidad mayor de LEDs necesita más potencia.
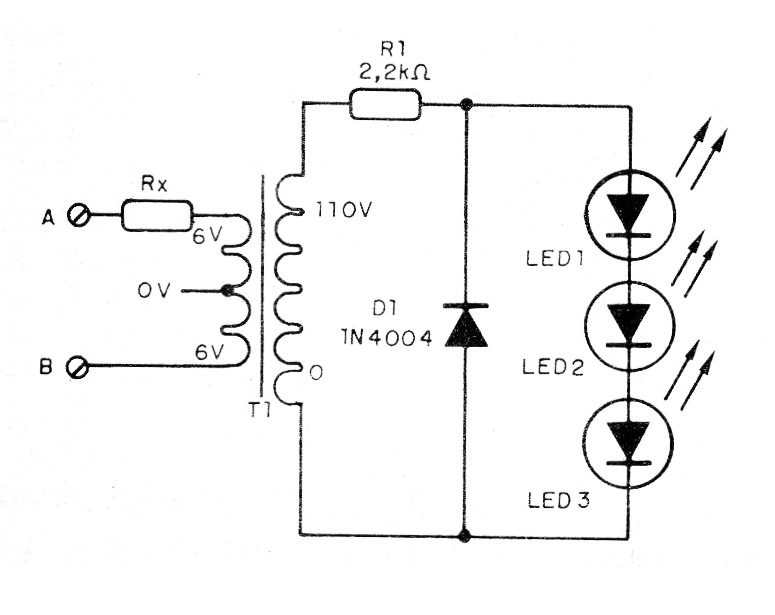
Un modo interesante de accionar LED con potencias pequeñas, sin robarla del amplificador es con la ayuda de un transformador. Con el circuito que describimos podemos accionar hasta 10 LED con amplificadores de 5 a 100 W, sin problemas. En la figura 1 tenemos el circuito para ello.
La resistencia Rx depende de la potencia del amplificador con el que el sistema funcionará, según la siguiente tabla:
Potencia = Rx
5 a 25 W = 10 ohms x 1 W
25 a 50 W = 22 ohms x 2 W
50 a 100 W = 47 ohms x 2 W
El transformador tiene un secundario de 5 a 9 V con corriente de 100 a 300 mA y los LED deben ser iguales, pero pueden ser de cualquier color.
Lista de material
LED1, LED2, LED3 - LEDs comunes de cualquier color
D1 - 1N4004 - diodo de silicio
Rx - Ver texto
R1 - 2,2 k ohms x 1/8 W - resistor - rojo, rojo, rojo
Varios: hilos, soldadura, puente de terminales, puente con tornillos, caja para montaje, etc.





