Esta es una broma inofensiva para quien le gusta dar golpes en los demás. Un capacitor cargado, seguro en el momento oportuno, da una buena descarga en los desprevenidos.
Usted carga un capacitor y dobla sus terminales para que queden en una posición apropiada. Cuando su amigo está distraído, usted grita "¡Segura! Y juega el capacitor. Naturalmente, en un impulso de reflejo, va a sostener el capacitor y ahí la sorpresa: una buena descarga de algunos cientos de voltios.
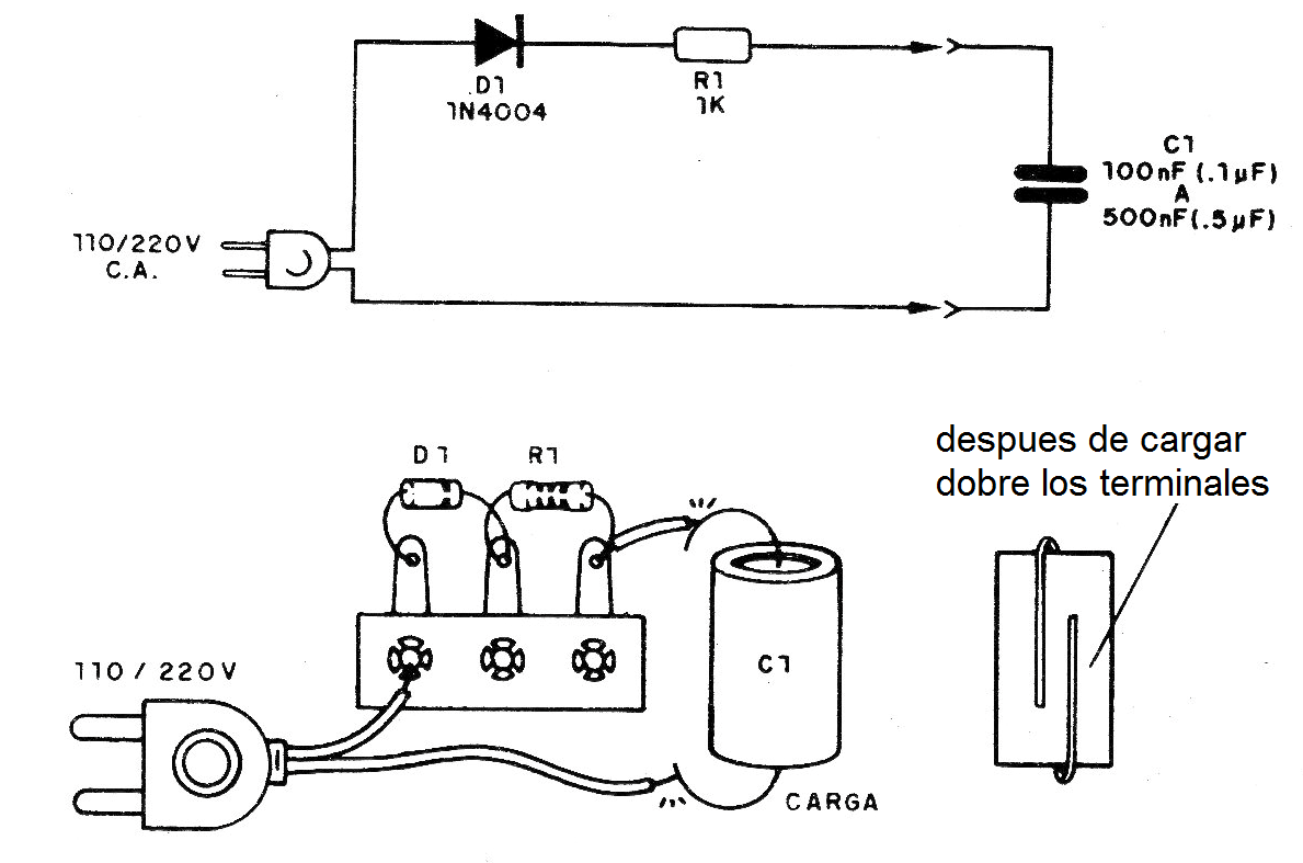
El circuito cargador consiste en un diodo y un resistor, donde el condensador se conecta durante unos segundos a la carga.
El capacitor puede ser del tipo poliéster con valores entre 100 nF y 470 nF, aprovechado de aparatos fuera de uso, debiendo ser especificado para una tensión de trabajo (que no es la que se carga) de al menos 400 V.
Antes de usar el condensador, sin embargo, usted necesita saber si está bien. Para ello, cargue y sujete un terminal en el otro. Si hay una chispa es porque el capacitor retuvo la carga y se encuentra en buen estado.
Los capacitor de papel y aceite de aparatos antiguos también pueden ser probados, pero normalmente el tiempo y la humedad hacen que no retengan más carga.
El tiempo de retención de la carga es corto, variando entre 1 y 2 minutos para los más antiguos y hasta cerca de 1 hora para los nuevos.
Una vez hecha la broma y ocurrida la descarga, el capacitor necesita ser cargado nuevamente. Nunca deje los terminales de carga recostados uno en el otro, pues eso va a calentar el resistor, pudiendo causar su quema. Si el resistor se quema o se calienta demasiado cuando hay la carga es porque el capacitor se encuentra en corto.
Lista de materiales
D1 - 1N4004 (110 V) o 1N4007 (220 V) diodo rectificador
R1 - 1 k ohms x 2 W - resistor (marrón, negro, naranja)
C1 - 100 nF a 470 nF-capacitor (ver texto)




