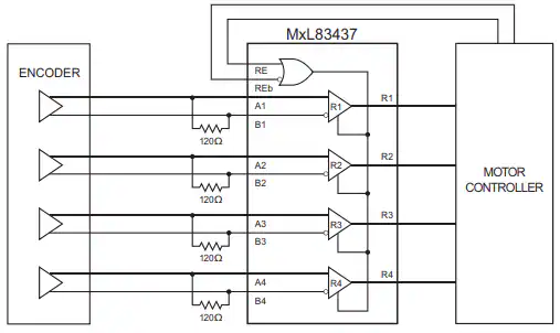
Los receptores MaxLinear MxL8343x Cuádruple RS-485/422 están diseñados para soportar comunicaciones de hasta 80 Mbps en entornos industriales hostiles. Estos dispositivos cuentan con un rango de tensión de alimentación de 3,3 V a 5 V, 128 nodos de bus y un rango de operación en modo común extendido de ±15 V. Los pines de bus son tolerantes a transitorios eléctricos rápidos (EFT) y descargas electrostáticas (ESD) IEC. Los receptores MxL8343x cumplen o superan los requisitos de las normas TIA/EIA-485A y EIA/TIA-422B. Estos receptores ofrecen encendido y apagado a prueba de fallos para intercambio en caliente y entradas de receptor abierto (Rx) a prueba de fallos. Los receptores MxL8343x ofrecen una baja distorsión del retardo de propagación canal a canal para garantizar el máximo rendimiento del sistema. Sus aplicaciones típicas incluyen traductores de nivel, redes inteligentes, equipos de telecomunicaciones, transporte industrial, variadores de velocidad de alto rendimiento y equipos de control industrial y de procesos.




