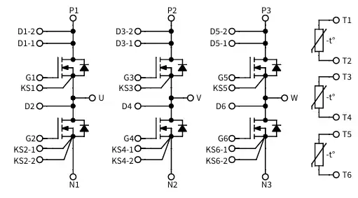
Los módulos de potencia de carburo de silicio Wolfspeed YM Six-Pack son módulos calificados para uso automotriz diseñados para una integración perfecta del diseño y durabilidad. Estos módulos agilizan la integración del carburo de silicio en las transmisiones de vehículos comerciales, de construcción y agrícolas gracias a su estándar industrial y su tecnología de encapsulación avanzada. Los módulos de seis paquetes YM cuentan con un diseño de terminales de alimentación optimizado que reduce la inductancia del paquete, lo que permite reducir el voltaje de sobretensión y las pérdidas de conmutación ultrabajas. Las aplicaciones típicas incluyen inversores de tracción automotriz, vehículos eléctricos híbridos, accionamientos de motores, energía renovable, fuentes de alimentación auxiliares y vehículos comerciales, de construcción y agrícolas.




